Skyeaglee-您身边的检测专家
新闻详情
及时了解环境监测领域的最新趋势,掌握我们的最新发展

一、项目介绍
煤粉仓中的煤粉与空气混合后,在一定条件下可能会发生爆炸。监测一氧化碳和氧气的浓度可以帮助判断仓内是否存在潜在的爆炸危险。氧气是燃烧和爆炸的必要条件之一,当氧气浓度过高时,会增加煤粉燃烧和爆炸的可能性。一氧化碳是煤粉不完全燃烧的产物,当煤粉仓内存在局部缺氧燃烧或有潜在的火源时,会产生一氧化碳。如果一氧化碳浓度异常升高,说明仓内可能存在不安全因素,需要及时采取措施,防止爆炸事故的发生。
根据现场测量组分要求,推出型号为SK-7500-WBK型煤粉仓气体在线分析仪(一氧化碳/氧气)实时在线监测煤粉仓/管道内一氧化碳及氧气气体含量,当出现现场气体浓度过高时及时声光报警及联锁设备启停/风机启动操作,以确保管道内气体处于安全状态,防止爆炸事故的发生,保护人员和设备安全。
煤粉仓气体在线分析仪(一氧化碳/氧气)数据处理系统具有现场数据实时传送(RS485、4-20mA、4G、WiFi、Lora等多种数据传输选择)、外部七寸液晶显示屏幕可支持对数据报表统计存储和数据导出等功能,实现了工作现场的无人值守。整套系统结构简单,动态范围广,实时性强,组网灵活,运行成本低,同时系统采用模块化结构,组合方便,并且能够完全满足与企业内部的DCS系统通讯的要求。
二、执行标准
GB3836.1-2010《爆炸性气体环境用电气设备 第一部分:通用要求》
GB3836.2-2010《爆炸性气体环境用电气设备 第二部分:隔爆型“d”》
GB 3836.15-2000 《爆炸性气体环境用电气设备第 15 部分:危险场所电气安装( 煤矿除外)》
GBT50493-2019 《石油化工可燃气体和有毒气体检测报警设计标准》
GB12358-2006 《作业场所环境气体检测报警仪通用技术要求》
GBZ 2.1-2007 《工作场所有害因素职业接触限值》
GB 4208-2008 《外壳防护等级(IP 代码)》
GB 16297-1996《大气污染物综合排放标准》
GB/T 16157-1996《固定污染源排气中颗粒物测定与气态污染物采样方法》
GB/T 5468-1991《锅炉烟尘测试方法》
HJ/T 397-2007《固定源废气监测技术规范》
HJ/T 76-2017《固定污染源排放烟气连续监测系统技术要求及检测方法》
HG/T 20507-2014 《自动化仪表选型设计规范》
上述标准如与最新标准有冲突时以最新标准为准。
三、项目方案
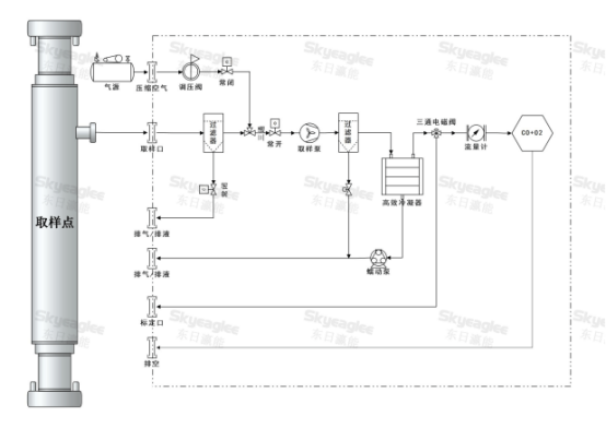
由于煤粉仓内粉尘浓度过大,所以针对现场的实际工况情况配备了对应预处理系统,确保SK-7500-WBK;煤粉仓气体在线分析仪(一氧化碳/氧气)不受工况因素影响,该系统主要由气体采样子系统、气体组分监测子系统、辅助单元、碳钢隔爆机箱/非防爆碳钢箱体等组成。是集气体采样、气体多级过滤、气体降温、反吹吹扫、流量控制、实时浓度显示、设备联动等功能为一体的标准化、模块化、专业化气体检测仪系统集成产品;SK-7500-WBK;煤粉仓气体在线分析仪(一氧化碳/氧气)经主动采样、专业样气预处理后,将干净、干燥、恒定的样气送至气体分析传感器。
产品特点
■集成预处理系统与分析传感器为一体,具备高精度高性能气体浓度在线监测系统,安装方便;
■针对煤粉仓顶部进行泵吸采样/多级过滤/反吹吹扫/冷凝降温除湿等多种预处理;
■使用原装高精度传感器,使用寿命长,有良好的抗干扰性能,可同时监测多种气体,实现高性能自动监测,监测数据准确稳定;
■内部核心仪表配置红外遥控器,无需开盖,实现全功能操作;
■标配 4-20MA、RS485、一组继电器输出信号;既可方便接入 PLC、DCS、DDC 等工控系统,也可以作为单机控制使用;
■选配4G、WiFi、LORA 等无线模块,实现数据参数采集,实时上传气体浓度值至环保局或第三方平台等服务器;
■7 寸工业触摸显示屏、实时浓度、曲线图显示更直观清晰;
四、技术参数

五、预处理系统技术参数
监测系统的采样预处理系统由过滤、取样泵、流量计、蠕动泵、反吹电磁阀、冷凝器等器件组成。
主要完成以下几项工作:
1)样品抽取:用取样泵将烟气中的气体抽取,供检测仪器测量;(正压时为主动进气)
2)精密过滤:进一步过滤除尘滤水,保证整个过滤精度在2μm以下;
3)流量调节:保证仪器的进样流量在0.3~0.5L/min,防止气量过大冲坏传感器;
4)冷凝器:进一步高效降温除湿,防止温湿度对传感器有影响;
5)蠕动泵:辅助排水,防止有水汽废液损坏传感器;
6)电磁阀:控制气管开关,定时打开气路,进行气管吹扫,防止堵塞采样管路出现堵塞情况;

东日瀛能科技,用不断创新的科技为广大企业的安全生产保驾护航!更多气煤粉仓气体分析仪相关问题可咨询气体检测仪 郭工:18925240236(VX同号)
相关新闻
2024-04-18
2025-05-15
水泥窑尾、煤粉仓气体分析仪一氧化碳、氧气在线监测系统解决方案
2025-05-15
2025-05-13
2025-05-11
2025-05-01
2025-04-21
2025-04-13
2025-04-12
2025-04-11
0755-23108604